28mm 390 DC มอเตอร์ไฟฟ้า
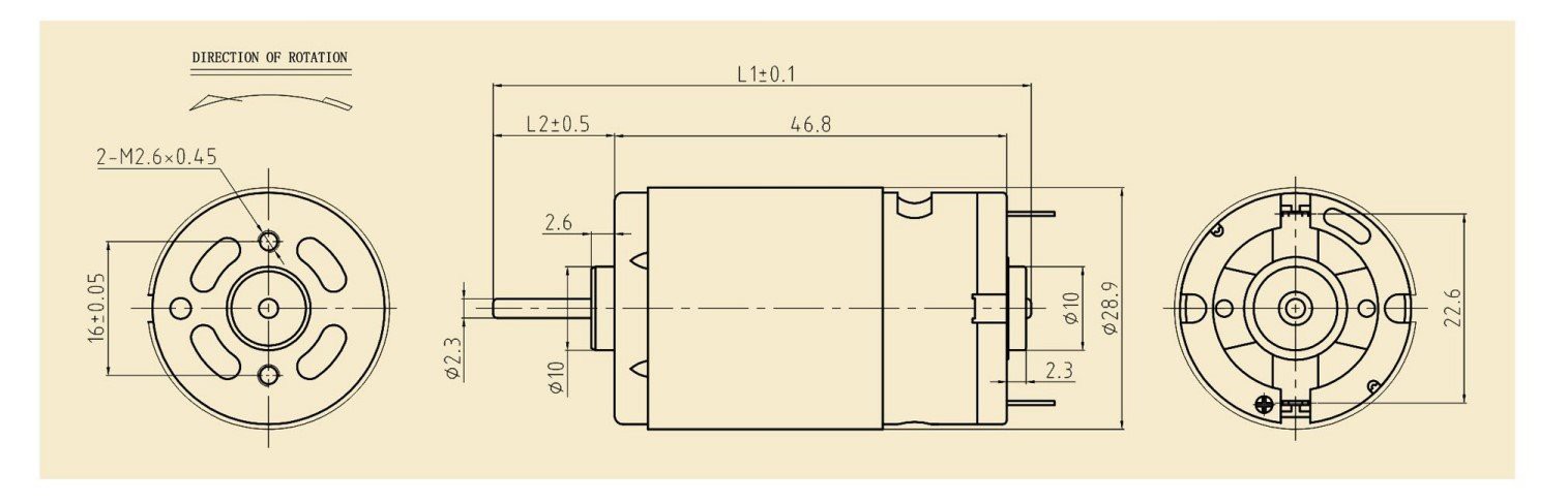
ความยาวต่อเพลา: 15.5±0.5 มม.
ระยะห่างตามแนวแกน: 0.05-0.5 มม.
เส้นผ่านศูนย์กลางภายนอก: 28.9 มม.
ความยาว: 46.8 mm
มอเตอร์ DC 390 ขนาด 28 มม. ใช้กันอย่างแพร่หลายในด้านการแพทย์ ความงาม การดูแลสุขภาพแม่และเด็ก บ้านอัจฉริยะ ยานพาหนะ สำนักงาน เครื่องบินจำลอง โมเดลของเล่น หุ่นยนต์ และสาขาอื่นๆ เรามีประสบการณ์หลายปีในการผลิตและพัฒนามอเตอร์ขนาดเล็ก คุ้มกันผลิตภัณฑ์ของคุณ และให้บริการปรับแต่งอย่างมืออาชีพและยืดหยุ่นแก่ลูกค้า
คำอธิบาย
ภาพรวม
การรับประกัน | 3 เดือน - 1 ปี |
สถานที่กำเนิด | กวางตุ้ง ประเทศจีน |
ชื่อแบรนด์ | วชิดา |
หมายเลขรุ่น | VRK-390สา |
การใช้งาน | บ้านอัจฉริยะ, ปั๊มน้ำ, ปั๊มลม, การแพทย์, ความงาม, การดูแลสุขภาพแม่และเด็ก, บ้านอัจฉริยะ, ยานพาหนะ, สำนักงาน, อุปกรณ์ออกกำลังกาย, เครื่องบินจำลอง, โมเดลของเล่น, หุ่นยนต์ ฯลฯ |
พิมพ์ | มอเตอร์กระแสตรงแบบมีแปรง |
น้ำหนัก | TBD (อัตราส่วนต่างกัน น้ำหนักต่างกัน) |
ส่วนประกอบ | หลากหลาย |
การก่อสร้าง | แม่เหล็กถาวร |
สัญจร | แปรง |
ปกป้องคุณสมบัติ | กำหนดเอง |
| ช่วงแรงดันไฟฟ้า | 8-26 V |
| ตลับลูกปืน | น้ำมันชุบหรือตลับลูกปืน (สามารถกำหนดเองได้) |
ประสิทธิภาพ | 83 เปอร์เซ็นต์ |
กำลังขับ | 1.0-55 W |
ไม่มีความเร็วในการโหลด | 18500±8 เปอร์เซ็นต์ rpm |
จัดอันดับแรงดันไฟฟ้า | 24 (V) |
| แรงบิดสตาร์ท | 58.050 (นาโนเมตร) |
ความเร็วในการโหลด | 17000 รอบต่อนาที |
ขนาด | 28.9*46.8 (มม.) |
| ทิศทางการหมุน | CCW |
เงื่อนไขการชำระเงิน | ล่วงหน้า 30 เปอร์เซ็นต์ ยอดคงเหลือ 70 เปอร์เซ็นต์ |
ใบรับรอง | ROHS |
กำหนดเอง | ได้รับการยอมรับ |
จุดเด่นของบริษัท

ความสามารถในการจัดหา
ความสามารถในการจัดหา: 4500000 Piece/Pieces per Month dc motor with counterweight
บรรจุภัณฑ์และการจัดส่ง
รายละเอียดบรรจุภัณฑ์
การบรรจุไมโครมอเตอร์: กล่องกระดาษ เครื่องหมายการจัดส่งมาตรฐานของเราสำหรับแต่ละรุ่นมีดังต่อไปนี้ Q'ty: pcs NW: กก. GW: กก. Meas.: L * H * W ซม. ซม. คำแนะนำในการจัดส่งของคุณเองยินดีต้อนรับ
พอร์ต: เซินเจิ้น / ฮ่องกง
รายละเอียดสินค้า

เฉลี่ยสองเดือนในการพัฒนามอเตอร์ใหม่
พารามิเตอร์ผลิตภัณฑ์
แรงดันไฟฟ้า | ไม่โหลด | อย่างมีประสิทธิภาพสูงสุด | เริ่มต้น | ||||||
ปฏิบัติการ แนว | NOMINAL V | ความเร็ว รอบ/นาที | หมุนเวียน A | ความเร็ว รอบ/นาที | หมุนเวียน A | แรงบิด mN.m | ผลผลิต W | แรงบิด mN.m | หมุนเวียน A |
| 8-26 | 24 | 7899 | 0.060 | 6744 | 0.350 | 8.489 | 5.995 | 58.050 | 2.045 |
ขนาดสินค้า

โครงการที่กำหนดเอง
เพลาเอาท์พุต, สายไฟ, ขั้วต่อ, รูยึด, ความเร็ว, แรงดันไฟ, กำลังไฟฟ้า
หากคุณต้องการไดรฟ์ ตัวเข้ารหัส และกระปุกเกียร์ที่ตรงกัน โปรดติดต่อเรา! ! !
เส้นโค้งประสิทธิภาพ

ข้อกำหนดข้างต้นใช้สำหรับอ้างอิงเท่านั้น สามารถปรับแต่งประเภทและพารามิเตอร์ของมอเตอร์กระแสตรงแบบมีแปรงถ่านได้
คุณสมบัติของสินค้า
ความเร็วสูง, เสียงต่ำ, แรงบิดสูง, ประสิทธิภาพการทำงานที่มั่นคง, การควบคุมความเร็วแบบไม่มีขั้นบันได, ระบบระบายความร้อนในตัว, ทนต่อการสึกหรอ, การสั่นสะเทือนต่ำ, ความน่าเชื่อถือสูง, ข้อมูลทางเทคนิคที่กำหนดเอง, ราคาถูก
รายละเอียดสินค้า
| 100 เปอร์เซ็นต์ แท้จริง ภาพถ่าย |
|
โรเตอร์: แผลลวดทองแดงบริสุทธิ์, แกนเหล็กที่ทำจากวัสดุเหล็กซิลิกอน, กระแสมีขนาดเล็ก, แรงบิดมีขนาดใหญ่, การทำงานมีเสถียรภาพ, ขดลวดแน่นและสม่ำเสมอ, และใช้แผ่นฉนวนธรรมชาติ | ฝาท้าย: ใช้แปรงคาร์บอนคุณภาพสูง ระดับการจับคู่ที่สูงขึ้น โรเตอร์มอเตอร์แบบตายตัว และการกระจายความร้อน | |
| 100 เปอร์เซ็นต์ แท้จริง ภาพถ่าย |
|
แบริ่ง: เลือกแบริ่งยี่ห้อคุณภาพคือ รับประกัน (แบริ่งสามารถปรับแต่งได้) | แชสซี: เลือกวัสดุคุณภาพสูงที่มีความแข็งสูง ทนต่อการกัดกร่อน ทนต่อการสึกหรอ และการเกิดสนิม และมีอายุการใช้งานยาวนานขึ้น |
ข้อได้เปรียบของเรา
1. อุปกรณ์เสริมที่ได้รับการอัพเกรดคุณภาพสูง มอเตอร์ของเราจะแทนที่อุปกรณ์เสริมมอเตอร์เก่า ทำให้ผลิตภัณฑ์ของคุณเร็วขึ้นและมีเสถียรภาพมากขึ้น โรเตอร์ด้านในใช้ขดลวดหลายขั้วซึ่งมีแรงบิดสูงและการทำงานที่ความเร็วต่ำ
2. วัสดุคุณภาพสูง มอเตอร์ผลิตอย่างมืออาชีพด้วยวัสดุคุณภาพสูง น้ำหนักเบา มีความแข็งแรงสูง ติดตั้งง่าย
3. ส่วนหน้าของมอเตอร์ใช้ตลับลูกปืนที่มีความแม่นยำสูงซึ่งมีอายุการใช้งานยาวนาน เสียงรบกวนต่ำ และประสิทธิภาพที่ยอดเยี่ยม
4. ประสิทธิภาพที่ยอดเยี่ยม มอเตอร์มีหม้อน้ำเพื่อช่วยให้มอเตอร์กระจายความร้อนได้อย่างรวดเร็วและให้ความทนทาน
5. หากคุณมีคำถามใดๆ เกี่ยวกับมอเตอร์แปรงถ่าน คุณสามารถส่งอีเมลหาเราได้เสมอ เราจะติดต่อกลับโดยเร็วที่สุด ให้ทางออกที่น่าพอใจแก่คุณ
6. ให้บริการที่กำหนดเองและบริการ OEM, ODM ทีมงาน R & D มืออาชีพเพื่อตอบสนองความต้องการที่กำหนดเองของคุณ
จุดแข็งของบริษัท


ใบรับรองผลิตภัณฑ์

พันธมิตรบางส่วนของเรา

เรามุ่งมั่นในอุตสาหกรรมยานยนต์มาหลายปี ครอบคลุมตลาดยุโรปและอเมริกาเป็นส่วนใหญ่ และตั้งตารอที่จะเป็นหุ้นส่วนระยะยาวของคุณในประเทศจีน
แอปพลิเคชัน

บรรจุภัณฑ์ขนส่ง

บรรจุภัณฑ์โฟมกันกระแทก ขนาดกล่องที่เหมาะสม หากคุณมีความต้องการบรรจุพิเศษ โปรดติดต่อเราล่วงหน้า
คู่มือการซื้อ

การชำระเงินและการจัดส่ง

คำถามที่พบบ่อย
ถาม: หากปรับแต่งเอง คุณควรให้ข้อมูลอะไร
คำตอบ: คุณต้องระบุข้อกำหนดพื้นฐานของมอเตอร์ เช่น ขนาด แรงดันไฟฟ้า ความเร็ว วัตถุประสงค์ และแรงบิด ถ้าเป็นไปได้ เป็นการดีที่สุดที่จะจัดเตรียมไดอะแกรมต้นแบบแอปพลิเคชันให้กับเรา
ถาม: มอเตอร์หลักของคุณคืออะไร?
A: 10mm~75mm เส้นผ่านศูนย์กลาง DC micro motors และ gear motors, slotless motors, brushed DC motors, brushless DC motors, spur gear motors, micro motors, hub motors, pumps, etc. the brush voltage voltage is 0 .6-48V และช่วงแรงดันไฟฟ้าแบบไม่มีแปรงคือ 3.5-310V
ถาม: การใช้งานหลักของมอเตอร์ DC ขนาดเล็กคืออะไร
ตอบ: มอเตอร์ DC ขนาดเล็กของเราใช้กันอย่างแพร่หลายในบ้าน อุปกรณ์สำนักงาน การใช้งานด้านการดูแลสุขภาพ อุตสาหกรรมสุขาภิบาล ของเล่นระดับไฮเอนด์ ระบบธนาคาร เครื่องมือไฟฟ้าและอิเล็กทรอนิกส์ อุตสาหกรรมอัตโนมัติ อุปกรณ์ธนาคาร อุปกรณ์การชำระเงิน เครื่องจำหน่ายสินค้าอัตโนมัติ ล็อคประตูไฟฟ้า , ล็อคประตูไฟฟ้า, หุ่นยนต์, โมเดลเครื่องบิน, รถยนต์ และสาขาอื่นๆ
ส่งคำถาม
คุณอาจชอบ















